Описание верхнего блока камеры футерованного ВБК 5.5-фут
Верхний блок камеры футерованный (ВБК 5.5-фут) применяется для устройства камер тепловых сетей с дополнительной защитой внутренней поверхности от воздействия агрессивных сред. Изделие изготавливается компанией ГК "БЛОК", которая специализируется на производстве и поставке железобетонных изделий в Москве, с использованием высокопрочного бетона класса B22.5 (М300) и армирования стальной арматурой, что обеспечивает его прочность, устойчивость к нагрузкам и долговечность.
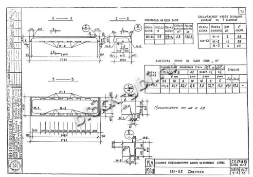
Нормативный документ: Серия 3.903 КЛ-13 вып.1-3.
Применение верхнего блока камеры футерованного ВБК 5.5-фут
Верхний блок камеры футерованный ВБК 5.5-фут используется для создания надёжной конструкции тепловых камер с повышенной защитой от коррозии и агрессивных сред. Он служит важной частью системы, обеспечивающей безопасность, функциональность и долговечность объектов. Для монтажа могут применяться дополнительные элементы: раствор, закладные детали и другие комплектующие.
Типы блоков камер тепловых сетей
Железобетонные блоки камер тепловых сетей подразделяются на несколько типов в зависимости от назначения и конструкции:
- ВБК: верхний блок камеры;
- НБК: нижний блок камеры;
- СБК: стеновой блок камеры;
- ДБК: доборный блок камеры;
- Футерованные блоки: блоки с дополнительной защитой от агрессивных сред.
Размеры зависят от типа: длина 5780–5790 мм, ширина 1430–1440 мм, высота 600–610 мм.
Основные параметры, размеры и характеристики
- Длина L, мм: 5780
- Ширина b, мм: 1430
- Высота h, мм: 600
- Масса, тонн: 5.70
- Объем бетона, м³: 2.30
- Класс бетона: B22.5 (марка М300);
- Сталь, кг: 422.5
Дополнительные характеристики
- Марка по морозостойкости: F200–F300;
- Марка по водонепроницаемости: W6–W8;
- Технология изготовления: формование с использованием высокопрочного бетона с футеровкой.
Нормы загрузки
- Норма загрузки в автотранспорт 20 т, шт: 3 (при наличии специального оборудования).
Расшифровка маркировки ВБК 5.5-фут
Маркировка "ВБК 5.5-фут" содержит следующую информацию:
- ВБК – верхний блок камеры;
- 5.5 – условная длина или ширина изделия в метрах (5780 мм);
- фут – указание на наличие футеровки (защитного покрытия).
Условия транспортировки и хранения
Верхние блоки камер тепловых сетей ВБК 5.5-фут перевозятся автомобильным или железнодорожным транспортом с использованием специальных захватных устройств (строп). Хранение осуществляется на ровных площадках с твердым покрытием. Блоки устанавливаются горизонтально в штабель высотой не более 2,5 м. Для предотвращения повреждений между изделиями устанавливаются деревянные прокладки.
Контроль качества верхнего блока камеры футерованного ВБК 5.5-фут
Каждый верхний блок камеры футерованного ВБК 5.5-фут проходит многоступенчатый контроль качества. Проверяются:
- прочность бетона (не ниже класса B22.5);
- соответствие геометрических размеров проектным данным;
- морозостойкость и водонепроницаемость бетона;
- качество футеровки и её соответствие требованиям;
- точность расположения закладных элементов;
- отсутствие трещин, сколов и других дефектов.
Заключение
Верхний блок камеры футерованный ВБК 5.5-фут – это надежный и долговечный элемент для устройства тепловых камер различного назначения с повышенной защитой от агрессивных сред. Благодаря использованию качественных материалов и современных технологий производства, он обеспечивает прочность, устойчивость и долговечность конструкций. Для заказа качественных железобетонных изделий обращайтесь к профессионалам своего дела – компании ГК "БЛОК".
Смотрите также:
| Варианты написания товара | 
|---|
| Верхний блок камеры футерованный ВБК 5.5-фут | 
| ВБК 5.5-фут верхний блок камеры футерованный | 
| Верхний блок камеры футерованный ВБК 5.5-фут Серия 3.903 КЛ-13 вып.1-3 | 
| ВБК 5.5-фут Серия 3.903 КЛ-13 вып.1-3 | 
| ВБК 5.5-фут | 
| Верхний блок камеры футерованный ВБК 5.5-фут ГОСТ | 
| ВБК 5.5-фут ГОСТ | 
| 
											ГОСТ/Серия
																					 | 3.903 КЛ-13 вып.1-3 | 
| 
											Длина, мм
																					 | 5780 | 
| 
											Ширина, мм
																					 | 1430 | 
| 
											Высота, мм
																					 | 600 | 
| 
											Масса, тонн
																					 | 5.70 | 
| 
											Объем бетона, куб.м
																					 | 2.30 | 
| 
											Класс бетона
																					 | В22,5 | 
| 
											Геометрический объем, м.куб
																					 | 3.903 КЛ-13 вып.1-3 | 
| 
											Сталь, кг
																					 | 422.5 | 
Как купить
Процесс покупки железобетонных изделий у нас прост и удобен. Следуйте этим шагам:
- Выбор продукции: Ознакомьтесь с нашим ассортиментом и выберите необходимые железобетонные изделия.
- Консультация: Свяжитесь с нашим менеджером для получения консультации по выбору продукции и уточнения всех деталей. Вы можете позвонить нам или написать на электронную почту.
- Оформление заказа: После согласования всех деталей оформите заказ. Менеджер поможет вам заполнить все необходимые документы.
- Согласование доставки: После оформления заказа наш менеджер свяжется с вами для согласования условий и сроков доставки.
- Оплата: Выберите удобный способ оплаты. Мы предлагаем несколько вариантов, включая безналичный расчет.
- Получение товара: После выполнения всех условий заказа, вы получите железобетонные изделия в назначенное время и по согласованному адресу. При получении подпишите акт приема-передачи.
Если у вас возникли вопросы на любом этапе покупки, не стесняйтесь обращаться к нашим менеджерам!
Оплата
Мы принимаем только безналичные платежи и работаем исключительно с юридическими лицами. Пожалуйста, ознакомьтесь с условиями оплаты ниже:
- Способ оплаты: Все расчеты производятся безналичным путем. Мы не принимаем наличные.
- Счет на оплату: После оформления заказа вам будет выставлен счет, который необходимо оплатить в срок, указанный в документе.
- Реквизиты: Все необходимые банковские реквизиты будут предоставлены в счете. Убедитесь, что все данные указаны правильно для успешного перевода.
- Подтверждение оплаты: После осуществления платежа отправьте нам подтверждение, чтобы мы могли оперативно обработать ваш заказ.
- Получение документов: После полной оплаты вы получите все необходимые документы, включая акт выполненных работ, товарные накладные и сертификаты на продукцию.
Мы работаем с НДС и предоставляем все необходимые сертификаты и документы. Все гарантии будут прописаны в договоре, что обеспечивает прозрачность и надежность сотрудничества.
Если у вас есть вопросы по поводу процесса оплаты, не стесняйтесь обращаться к нашим менеджерам за помощью!
Наша оперативность — ваше удобство. Мы гарантируем своевременную доставку железобетонных изделий, что является ключевым фактором для успешной реализации ваших строительных проектов. Доставка осуществляется прямо к вашему объекту с учетом всех стандартов качества.
    Основные условия доставки:
    • Выбор тарифа: Вы можете выбрать способ расчета стоимости доставки — почасовой или по зонам.
    • Согласование: Менеджер свяжется с вами для уточнения деталей после оформления заказа.
    • Время на погрузку: Комплектация товара занимает от 1 до 3 дней в зависимости от объема.
    • Акт приема-передачи: Продукция передается по акту приема-передачи.
    Тарифы на доставку:
    Цены варьируются в зависимости от расстояния и региона. Все тарифы включают НДС. При неблагоприятных погодных условиях возможны небольшие изменения в стоимости.
    География доставки:
    Мы работаем по всей территории РФ и имеем 12 офисов и производств, чтобы обеспечить удобные условия для доставки.
Для точного расчета стоимости доставки обращайтесь к нашим менеджерам!


 
						 
						 
						 
						 
						 
						 
						 
						 
						 
						 
						 
						 
						 
							 
							 
							 
							 
							 
							 
							 
							 
							 
							 
							 
							